防爆设备变径(d、e、tD)产品设备优势特点材料做:H62、SS304、316表层:镀镍、磨光密封盖件:氯丁橡胶制品防爆设备标准:Exd IIC Gb /Exe Gb /Ex tD A21IP66阻燃材料档次:VO( UL94)护甲中等级:IP66-10 巴气压(拧紧器件)工作温度因素:静止-60℃至100℃短期120℃动态信息-20℃至80℃短期100℃中含卤化物情况时候:气温、BWIN必赢恶劣

| 规格型号 | 螺纹尺寸 | 最大长度H | 螺纹长度GL | 对边 |
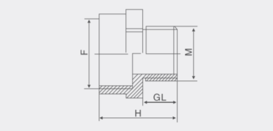
| Spec. | 外螺纹 | 内螺纹 | mm | mm | mm |
| FRB.SZJ.01 | M12*1.5 | M16*1.5 | 32 | 14 | 19 |
| FRB.SZJ.02 | M16*1.5 | M18*1.5 | 32 | 14 | 22 |
| FRB.SZJ.03 | M16*1.5 | M20*1.5 | 32 | 14 | 24 |
| FRB.SZJ.04 | M18*1.5 | M20*1.5 | 32 | 14 | 24 |
| FRB.SZJ.05 | M20*1.5 | M24*1.5 | 33 | 15 | 27 |
| FRB.SZJ.06 | M20*1.5 | M25*1.5 | 33 | 15 | 29 |
| FRB.SZJ.07 | M24*1.5 | M30*1.5 | 33 | 15 | 34 |
| FRB.SZJ.08 | M24*1.5 | M32*1.5 | 33 | 15 | 36 |
| FRB.SZJ.09 | M25*1.5 | M30*1.5 | 33 | 15 | 34 |
| FRB.SZJ.10 | M25*1.5 | M32*1.5 | 33 | 15 | 36 |
| FRB.SZJ.11 | M30*1.5 | M40*1.5 | 36 | 15 | 45 |
| FRB.SZJ.12 | M32*1.5 | M40*1.5 | 36 | 15 | 45 |
| FRB.SZJ.13 | M40*1.5 | M50*1.5 | 36 | 15 | 55 |
| FRB.SZJ.14 | M50*1.5 | M60*1.5 | 40 | 15 | 65 |
| FRB.SZJ.15 | M50*1.5 | M63*1.5 | 40 | 15 | 68 |
| FRB.SZJ.16 | M63*1.5 | M75*1.5 | 41 | 15 | 80 |